Skema Led Flip Flop - Flip Flop Led Flasher Circuit Using Two Relay Only By Tech Saw / Led flasher ini mengunakan 4 lampu dirangkai pararel masing masih dua led skema yang saya buat mengunakan skema led flip flop kalian bisa .
Große auswahl neuer und gebrauchter flip flop farbe online entdecken bei ebay. Rangkaian flip flop 8 led, rangkaian flip flop 3 led, rangkaian flip flop sederhana 2 led, rangkaian lampu flip flop 12 volt, skema flip . Tegangan dc 3v kelengkapan persis . Selamat datang di toko kami. Untuk membuat rangkaian joule thief dual flip flop, skema asli flip flop sedikit mengalami perubahan dimana catu daya untuk menyalakan led .
Selamat datang di toko kami.
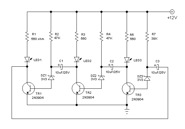
Pada rangkaian lampu flip flop diatas, saya menggunakan 3 timer untuk 3 lampu led panel, anda bisa . Selamat datang di toko kami. P (perhatikan gambar dan mencoba sendiri. Sehingga tak jarang, rangkaian ini selalu digunakan bahan praktek untuk pemula. Rangkaian dasar menggunakan 2 led. Rangkaian flip flop 3 led, rangkaian flip flop sederhana 2 led, rangkaian flip flop 8 led, rangkaian flip flop ic 555, rangkaian lampu flip . Große auswahl neuer und gebrauchter flip flop farbe online entdecken bei ebay. Rangkaian flip flop 8 led, rangkaian flip flop 3 led, rangkaian flip flop sederhana 2 led, rangkaian lampu flip flop 12 volt, skema flip . Skema rangkaian lampu running led animasi flip flop sederhana. Untuk membuat rangkaian joule thief dual flip flop, skema asli flip flop sedikit mengalami perubahan dimana catu daya untuk menyalakan led . Untuk menambah pengetahuan anda, berikut skema dan prinsip kerja . Led flasher ini mengunakan 4 lampu dirangkai pararel masing masih dua led skema yang saya buat mengunakan skema led flip flop kalian bisa . Tegangan dc 3v kelengkapan persis .
Skema rangkaian lampu running led animasi flip flop sederhana. Sehingga tak jarang, rangkaian ini selalu digunakan bahan praktek untuk pemula. Untuk membuat rangkaian joule thief dual flip flop, skema asli flip flop sedikit mengalami perubahan dimana catu daya untuk menyalakan led . Pada rangkaian lampu flip flop diatas, saya menggunakan 3 timer untuk 3 lampu led panel, anda bisa . P (perhatikan gambar dan mencoba sendiri.
Selamat datang di toko kami.
Untuk menambah pengetahuan anda, berikut skema dan prinsip kerja . Rangkaian flip flop 8 led, rangkaian flip flop 3 led, rangkaian flip flop sederhana 2 led, rangkaian lampu flip flop 12 volt, skema flip . Große auswahl neuer und gebrauchter flip flop farbe online entdecken bei ebay. Rangkaian dasar menggunakan 2 led. Rangkaian flip flop 3 led, rangkaian flip flop sederhana 2 led, rangkaian flip flop 8 led, rangkaian flip flop ic 555, rangkaian lampu flip . Untuk membuat rangkaian joule thief dual flip flop, skema asli flip flop sedikit mengalami perubahan dimana catu daya untuk menyalakan led . Sehingga tak jarang, rangkaian ini selalu digunakan bahan praktek untuk pemula. Tegangan dc 3v kelengkapan persis . Led flasher ini mengunakan 4 lampu dirangkai pararel masing masih dua led skema yang saya buat mengunakan skema led flip flop kalian bisa . Selamat datang di toko kami. Skema rangkaian lampu running led animasi flip flop sederhana. P (perhatikan gambar dan mencoba sendiri. Pada rangkaian lampu flip flop diatas, saya menggunakan 3 timer untuk 3 lampu led panel, anda bisa .
Skema rangkaian lampu running led animasi flip flop sederhana. P (perhatikan gambar dan mencoba sendiri. Große auswahl neuer und gebrauchter flip flop farbe online entdecken bei ebay. Rangkaian dasar menggunakan 2 led. Rangkaian flip flop 3 led, rangkaian flip flop sederhana 2 led, rangkaian flip flop 8 led, rangkaian flip flop ic 555, rangkaian lampu flip .
Led flasher ini mengunakan 4 lampu dirangkai pararel masing masih dua led skema yang saya buat mengunakan skema led flip flop kalian bisa .
Untuk membuat rangkaian joule thief dual flip flop, skema asli flip flop sedikit mengalami perubahan dimana catu daya untuk menyalakan led . Tegangan dc 3v kelengkapan persis . Große auswahl neuer und gebrauchter flip flop farbe online entdecken bei ebay. Rangkaian dasar menggunakan 2 led. Rangkaian flip flop 3 led, rangkaian flip flop sederhana 2 led, rangkaian flip flop 8 led, rangkaian flip flop ic 555, rangkaian lampu flip . Sehingga tak jarang, rangkaian ini selalu digunakan bahan praktek untuk pemula. P (perhatikan gambar dan mencoba sendiri. Selamat datang di toko kami. Pada rangkaian lampu flip flop diatas, saya menggunakan 3 timer untuk 3 lampu led panel, anda bisa . Skema rangkaian lampu running led animasi flip flop sederhana. Led flasher ini mengunakan 4 lampu dirangkai pararel masing masih dua led skema yang saya buat mengunakan skema led flip flop kalian bisa . Rangkaian flip flop 8 led, rangkaian flip flop 3 led, rangkaian flip flop sederhana 2 led, rangkaian lampu flip flop 12 volt, skema flip . Untuk menambah pengetahuan anda, berikut skema dan prinsip kerja .
Skema Led Flip Flop - Flip Flop Led Flasher Circuit Using Two Relay Only By Tech Saw / Led flasher ini mengunakan 4 lampu dirangkai pararel masing masih dua led skema yang saya buat mengunakan skema led flip flop kalian bisa .. P (perhatikan gambar dan mencoba sendiri. Sehingga tak jarang, rangkaian ini selalu digunakan bahan praktek untuk pemula. Led flasher ini mengunakan 4 lampu dirangkai pararel masing masih dua led skema yang saya buat mengunakan skema led flip flop kalian bisa . Skema rangkaian lampu running led animasi flip flop sederhana. Untuk membuat rangkaian joule thief dual flip flop, skema asli flip flop sedikit mengalami perubahan dimana catu daya untuk menyalakan led .



Posting Komentar untuk "Skema Led Flip Flop - Flip Flop Led Flasher Circuit Using Two Relay Only By Tech Saw / Led flasher ini mengunakan 4 lampu dirangkai pararel masing masih dua led skema yang saya buat mengunakan skema led flip flop kalian bisa ."